_铝合金型材_ _框架围栏_工作台定制厂家_

联系启域联系启域 在线留言在线留言 网站地图网站地图

欧标品质 初心坚守工业铝型材厂家 精于应用定制加工

服务热线:400-096-5058021-67658689

启域用匠心坚守,以责任践行
上新啦!启域新增8080欧标轻型铝型材
返回列表 来源: 发布日期: 2024.05.23

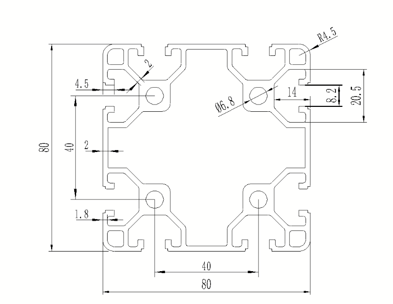
  为了满足不同客户的需求, 新增了一款大规格的工业铝型材,8080欧标轻型铝型材,其货号是QY-8-8080L ,和其它三款常用的8080 铝型材 对比来说,其米重小,所以价格较便宜点。下面是8080L铝型材的截面图,大家可以参考一下。

8080L铝型材


  从图中可以看到,这款铝型材的槽宽是8.2mm的,所以使用的配件一般选用40 系列-M8的就可以。还有这款型材的壁厚和斜筋厚都是2mm的,中心是没有孔的,只有四个角是带孔的,不过因为其壁厚比较薄,所以一般不会采用打孔连接,也就是说不能使用内六角螺栓进行固定,这是这款型材连接时需要注意的地方。

  这款铝型材之所以卖的便宜,和米重有关,一米的重量只有4.1kg/m,所以其强度不高,一般用在要求是大截面的型材,但是强度不高的框架上。所以如果对强度要求高的小伙伴,还是选用 8080系列其它规格,比如8080标准型材,8080 重型型材,8080国标型材。

  上面说了这款铝型材不能使用内六角螺栓进行连接,那么可以选用什么配件进行连接固定呢?其实选用的配件还是有很多的,常用的是角件和内置连接件。角件可以选用强力直角支架,配螺栓螺母固定就可以了,连接强度高,安装简单。内置连接件属于内部连接,想要美观的可以选用此配件。内置连接件是很多大规格型材常用的配件,下面是具体的安装图,大家可以参考一下。

角件连接框架图

内置连接件安装图

  以上就是小编讲的内容了,如果有需要这款8080欧标型材铝型材的小伙伴,可以咨询 金属哦。现货库存,当天可以发货,也可以免费邮寄样段,供您货比三家,欢迎咨询。

联系启域

服务热线: 021-67658689

电 话:021-67658689

传 真:021-67658536

地 址:上海市松江区车墩工业区泖亭路1056号

Baidu
map