_铝合金型材_ _框架围栏_工作台定制厂家_

联系启域联系启域 在线留言在线留言 网站地图网站地图

欧标品质 初心坚守工业铝型材厂家 精于应用定制加工

服务热线:400-096-5058021-67658689

启域用匠心坚守,以责任践行
4040铝型材截面尺寸都有哪些?
返回列表 来源: 发布日期: 2021.02.12
  4040铝型材,相信很多人是不陌生的,在网上有很多关于它的介绍。为什么小编还是要讲呢,这是因为它实在太受欢迎了,几乎每天都有客户搜索和咨询。4040铝型材有很多种规格,很多人是不清楚自己到底需要的是哪一个。下面小编就把目前市场上常用的几款规格的截面尺寸列出来,大家可以进行选型和比较。
1、轻型4040铝型材

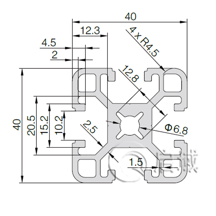
  轻型4040铝型材在启域的货号是:QY-8-4040B,这款型材的米重是1.45kg/m,常用于车间工作台,小型物料架,移动小推车等的制作。下图是具体的截面尺寸图。从图中可以看到,4040轻型型材的斜筋厚是2mm,中间孔是6.8mm,槽宽是8.2mm。

QY-8-4040B铝型材

2、4040标准型材。

  4040标准型材在启域的货号是:QY-8-4040C,这款型材的米重是1.85kg/m,常用于流水线工作台,流水线输送线,流水线装配线等的制作。下面是具体的截面尺寸图。从图中可以看到,4040标准型材的斜筋厚是2.5mm,中间孔是6.8mm,槽宽8.2mm。

QY-8-4040C铝型材

3、4040重型型材。

  4040重型型材在启域的货号是:QY-8-4040D,这款型材的米重是2.2kg/,常用于设备支架,设备防护罩,电气工作台,实验室工作台等制作。这款型材要比上两款型材的承重高,所以可以用于应力及强度加大的框架组合。下图是具体的截面尺寸图。

QY-8-4040D铝型材

4、4040直角型材。

  4040直角型材有两个规格,包括轻型和重型两款。下面是具体的截面尺寸图。从图中可以看到,与上面三款还是有区别的,它四周的角是直角,和国标型材比较像。如果您想要用国标型材,但是担心价格问题的,就可以选择这两款直角型材。价格比国标型材要便宜很多。

QY-8-4040EW铝型材

5、4040国标型材。

  4040国标型材一共有三款,分别是轻型,重型和中型。由于价格比欧标型材要贵很多,所以一般用的比较少。其中4040国标型材用的比较多。下图是具体的截面尺寸图。

QY-8-4040GW

6、4040圆弧型材。

  4040圆弧型材在启域的货号是:QY-8-4040R,常用于框架转角立柱使用,比较圆滑,可以减少磕碰的情况。下面是具体的截面尺寸图。从图中可以看到,它的壁厚是2mm,槽宽是8.2mm。

QY-8-4040R铝型材

7、4040槽10型材。

  在4040系列中,有一款是槽10的型材,它就是4040F,和槽8系列的型材区别在于使用的配件不一样。具体该选用哪款配件可以咨询技术人员。下图是4040槽10型材的截面尺寸图。

4040F铝型材

8、4040双槽铝型材。

  这款铝型材也区别与其他规格,它是双槽的,主要用于门导轨使用,是做滑门导轨型材比较好的选择。这款型材还有一个不一样的地方,就是它属于槽6系列的,很多配件可能会用不了。下图是具体的截面尺寸图。

QY-6-4040S铝型材

  以上这些截面参数,在启域的样册中皆是有的,而且清楚的告诉了每款型材的使用范围,大家有需要的记得来咨询 金属哦。免费给大家邮寄样册+样段,欢迎咨询。

联系启域

服务热线: 021-67658689

电 话:021-67658689

传 真:021-67658536

地 址:上海市松江区车墩工业区泖亭路1056号

Baidu
map