启域

工业铝型材45系列
  • 铝型材QY-10-4590B
铝型材QY-10-4590B

分类:欧标铝型材

材料:铝合金Material Aluminum(6063-T5)

单位质量:4.21kg/m   

长度:6.01m (可按需切割)

径厚:4.5mm(4545型材其它径厚:1.9mm,5mm) 

槽宽:10mm

产品简介 / Introduction
产品参数 Product Parameters
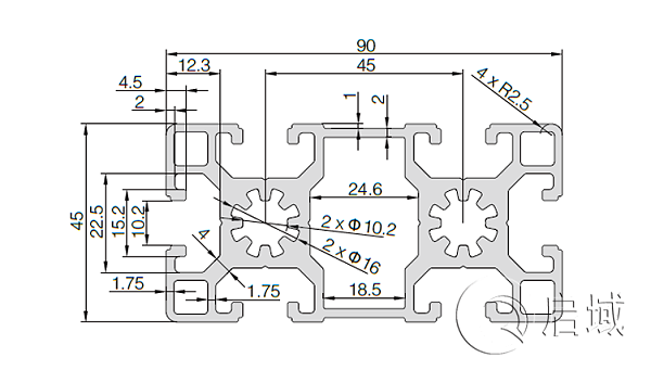
QY-10-4590B铝型材图纸
  集合惯性:Ix: 103.15cm4   Iy: 26.60cm4 
  截面惯性:Zx: 22.40cm3   Zy: 11.20cm3
  表面处理:阳极氧化银白色(表面可定制)
  用途:用于对强度及支撑要求较高的重载结构框架组合,可以用来制作设备机罩,流水线工作台,安全围栏等重载结构的框架组合
加工服务 Processing services
切割
切割

任意长度切割、45度角切割、特殊角度切割,精度误差小,低至±0.3mm-±0.5mm。

02
钻孔

通孔、沉头孔、盲孔、安装孔,孔的位置精度及深度大小严格按照设计图纸要求。

攻丝

包含端面攻丝、钻孔攻丝,采用适合润滑剂来实现丝锥寿命,精确控制深度。

精加工

拥有CNC数控等加工设备,提供铣孔、铣槽、铣面、端铣等精加工服务。

组装

提供成品组装、上门测量安装服务,并提供安装说明书或远程指导安装。

包装

气泡膜、珍珠棉、牛皮纸(可打托发货)。合作物流:申通快递、顺丰速运、安能物流、专线直达等。


产品优势 Product Advantage
原材优

原材优

采用6063-T5标准的铝棒原材,不掺杂废铝,确保铝型材韧性足。

厚度足

厚度足

采用国家标准模具成型,保证载重量,延长使用寿命。

精度高

精度高

采用高精度自动化设备,直线度误差低至±0.5mm,成型精度高。

硬度高

硬度高

材料进行失效处理后,硬度可高达13度,高承重设备不易变形,抗压抗拉性能好。

膜厚足

膜厚足

氧化膜厚度符合国家标准,型材表面20年性能稳定。

耐腐蚀

耐腐蚀

银白氧化处理,氧化膜达8-25Um,表面色泽均匀,不易锈,耐腐蚀。

热品推荐 / Hot product
铝型材QY-10-4545A
铝型材QY-10-4545B
Baidu
map