启域

铝型材百科
工业铝型材的槽宽有哪些作用?
  工业铝型材有很多分类方法,其中槽宽也是可以作为分类依据的。常用工业铝型材的槽宽一共就4个种类:槽4mm,槽6mm,槽8mm和槽12mm。很多人就会问了,知道了槽宽,有什么作用呢?其实作用可不小呢?下面小编就具体的给大家讲解一下。
1、配件选型依据。
  铝型材槽宽是选择配件的重要依据,不同的槽宽需要选择不同的配件,这样才能安装上。像一些需要安装在型材槽坑内的配件,比如螺栓,螺母,内置连接件,斜角连接件,槽条连接件,平封槽条等等,这些配件选型的主要依据就是型材槽宽,否则是安装不上的。所以型材槽对配件选型来说,是很重要的。
2、板材厚度选择依据。
  很多情况下,铝型材需要配合板材进行使用。如果板材是安装在型材槽坑内的话,型材槽宽对板材厚度的影响就比较大了。从原理上来说,槽4mm的型材板材厚度只能用1mm,2mm,3mm,4mm的板材,否则就安装不上了。实际使用过程中需要配合压条来使用,一般根据型材槽坑=压条厚度+板材厚度这个公式来进行选型。比如同样使用4mm厚的压条,如果是槽6mm的型材来安装面板的话,板材厚度只能选用2mm的;如果是槽8mm的型材来安装面板的话,板材厚度可以选型4mm的。所以型材槽宽对板材厚度的选型还是比较大的。
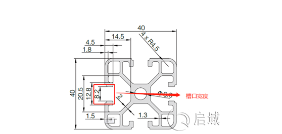
铝型材槽宽示意图
3、影响承重。
  一般来说,型材槽宽越大的,规格也就越大,受力面积就越大,承重也就越好。很多时候用这个方法来判断框架的承重范围。比如槽6mm的型材,承重范围在100公斤作用,槽8mm的型材,承重范围在400公斤左右,槽10mm的型材承重范围在800公斤作用。当然这只是估算值,可以利用估算值来进行初期的选型设计,不过具体的该使用哪款铝型材还得进行计算才行。
  以上就是小编讲的内容了,大家有什么不明白的地方,记得联系 金属哦。10余工业年铝型材厂家,现货直销,质优价廉,提供选型指导和设计解决方案,欢迎咨询。
返回
列表
上一条

弹性螺母和弹片螺母的区别和联系

下一条

铝型材机架的具体用途详解

Baidu
map