启域

常见问题
常见的几款铝型材4040截面图汇总!
  铝型材4040是流水线框架型材中使用较多的型材之一,被广泛运用于各种生产领域中。常被用来制成各种设备机架、流水线支架、围栏防护罩立柱等。铝型材4040分国标型材和欧标型材,有多款壁厚,其承重也是不同的,用户可根据自己的需求进行合理选材,减少企业成本的投入,避免造成资源浪费。这里启域铝材来给大家简单分享一下常见的几款铝型材4040截面图,希望能对大家起到一些帮助作用!

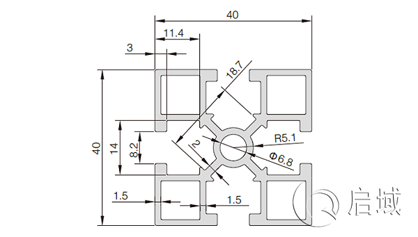
  欧标铝型材4040(超轻型),米重1.03kg/m。

QY-8-4040A铝型材

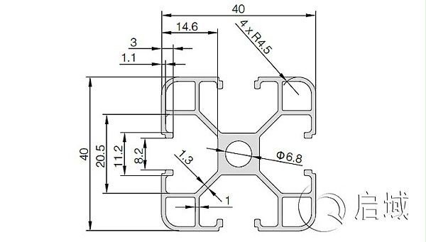
  欧标轻型铝型材4040,有银白和黑色两款现货,米重为1.45 kg/m。

QY-8-4040B铝型材

  欧标标准铝型材4040,米重为1.85 kg/m。

QY-8-4040C铝型材

  欧标重型铝型材4040,米重为2.2 kg/m。

QY-8-4040D铝型材

  欧标直角轻型铝型材4040,米重为1.54 kg/m。

QY-8-4040E铝型材

  欧标直角重型4040铝型材,米重为2.1 kg/m。

QY-8-4040EW铝型材

  封边铝型材4040,两面封边,米重为1.97 kg/m。

QY-8-4040H铝型材

  双槽4040欧标铝型材,米重为1.35 kg/m。

QY-6-4040S铝型材

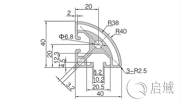
  圆弧4040铝型材,米重为1.65 kg/m。

QY-8-4040R铝型材

  国标铝型材4040轻型,米重为1.48 kg/m。

QY-8-4040GA

  国标铝型材(10.8孔)4040铝型材,米重为1.22 kg/m。

QY-8-4040GB

  国标重型4040铝型材,米重为2.15 kg/m。

QY-8-4040GW

  以上就是启域铝材厂常备的几款4040铝型材截面图汇总,40型材大量现货库存,当天可发,可按需切割打孔攻牙。可免费送铝型材选型样册及样段,提供3D图纸,欢迎咨询!
返回
列表
上一条

铝型材QY-8-4080E有啥不一样的地方?

下一条

铝型材物料架加工选型原则!

Baidu
map