启域

新闻动态
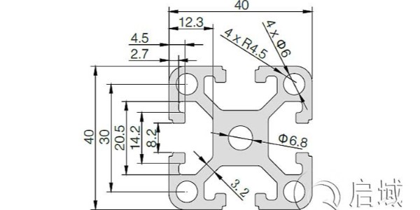
4080铝型材框架搭建会用到哪些配件?

4080铝型材框架搭建会用到哪些配件?

4080铝型材是一款常用型材,是40系列…

铝型材厂家2024年中秋放假通知

铝型材厂家2024年中秋放假通知

故里逢秋时,团圆在中秋。一年一度的中秋佳…
工业铝型材鱼缸架如何连接你知道吗?

工业铝型材鱼缸架如何连接你知道吗?

工业铝型材鱼缸架现在普遍常见,因为型材属…
2024年8月27日铝锭价格分析

2024年8月27日铝锭价格分析

近期铝锭价格一路上涨,从8月14号开始基…
工业铝型材鱼缸架子使用型材规格介绍

工业铝型材鱼缸架子使用型材规格介绍

工业铝型材不仅可以应用在自动化设备行业,…
8月16日铝锭价格

2024年8月16日铝锭价格分析

下图是2024年8月16日铝锭价格报价,…
12 / 110
首页上一页111213下一页末页
Baidu
map